Shop

Back

Vorschweißflansche EN 1092-1

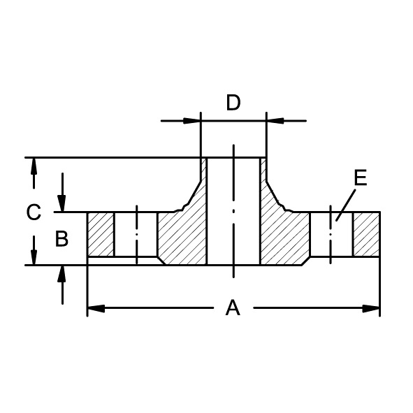
Welding neck flanges EN 1092-1

Welding neck flange DIN 2632, ND 10

Please select your product configuration

Material*
Size*

Back