Shop

Back

Vorschweißflansche EN 1092-1

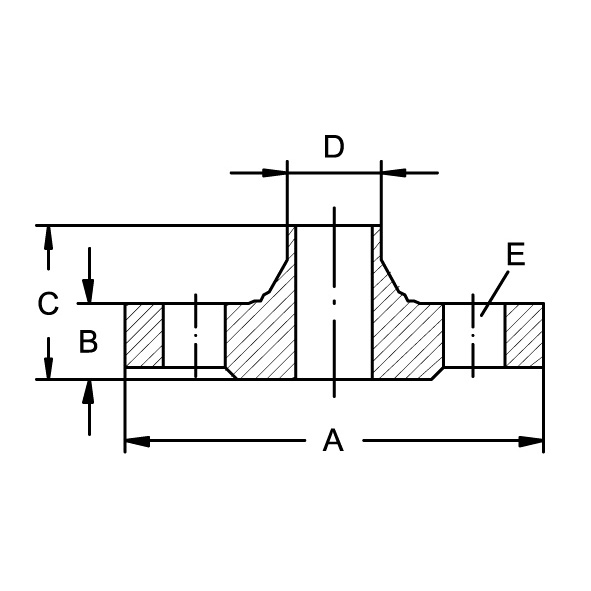
Welding neck flanges EN 1092-1

Welding neck flange EN 1092-1, PN 40

Please select your product configuration

Material*
Size*

Back