Shop

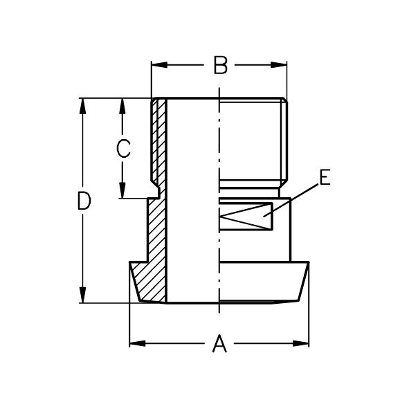
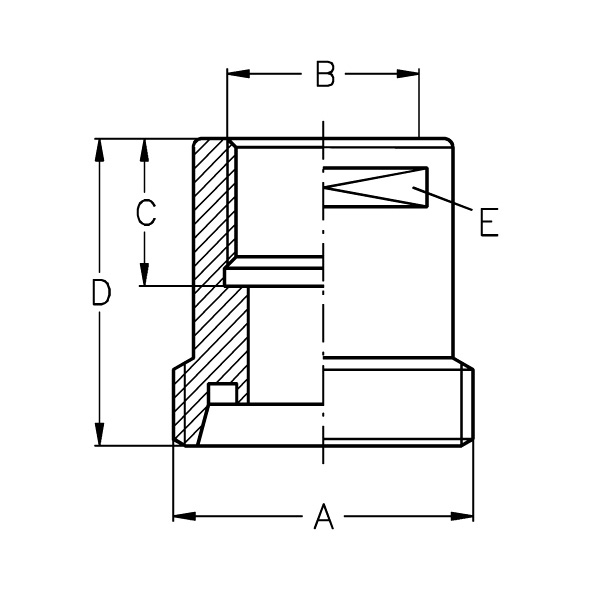
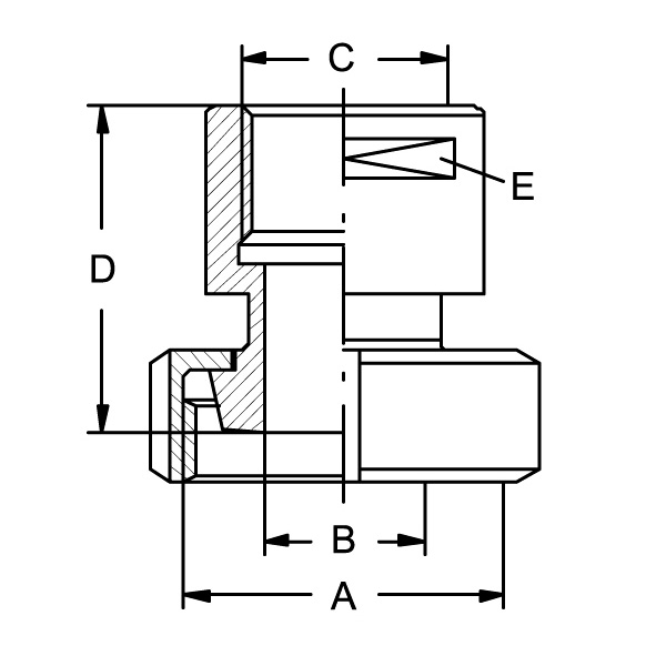
Rohrverschraubung DIN 11851

Rohrverschraubung DIN 11851

Bitte wählen Sie im Folgenden Ihre gewünschte Produktvariante

B6)