Shop

Back

Aseptik- und Hygiene-Flanschverbindung DIN 11853-2 + DIN 11864-2

Aseptic- and Hygienic-Flange pipe connections DIN 11853-2 + DIN 11864-2

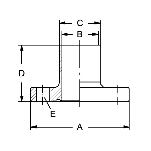
Flange with notch ISO, DIN 11864-2 (AISI316L-1.4404)

Please select your product configuration

Material*
Size*

Back