Shop

Aseptik- / Hygiene-Flanschverbindung
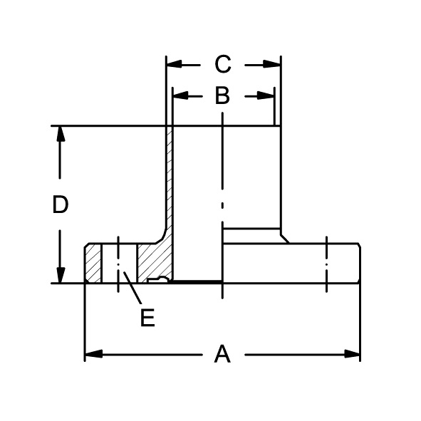
DIN 11853-2 + DIN 11864-2

Aseptik- und Hygiene-Flanschverbindungen

Bitte wählen Sie im Folgenden Ihre gewünschte Produktvariante

B9)