Shop

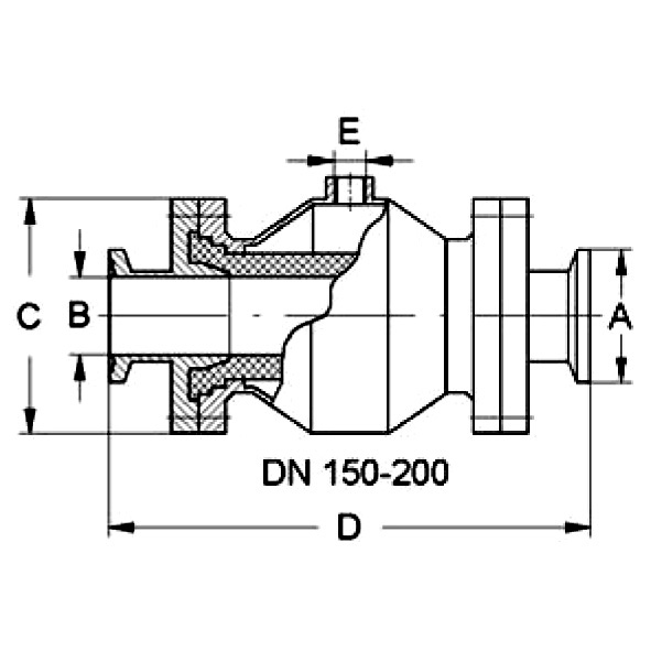
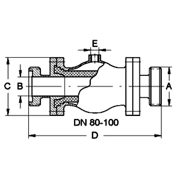
Quetschventile

Platzhalter
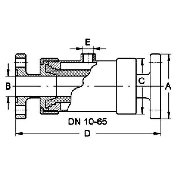
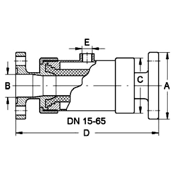
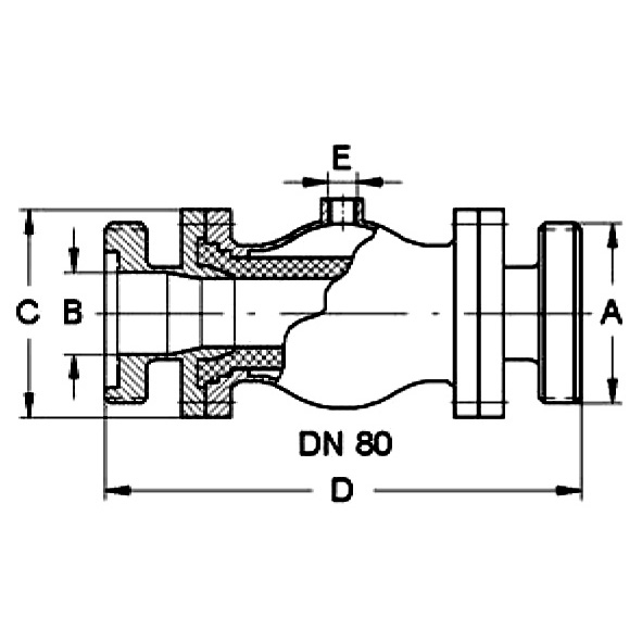
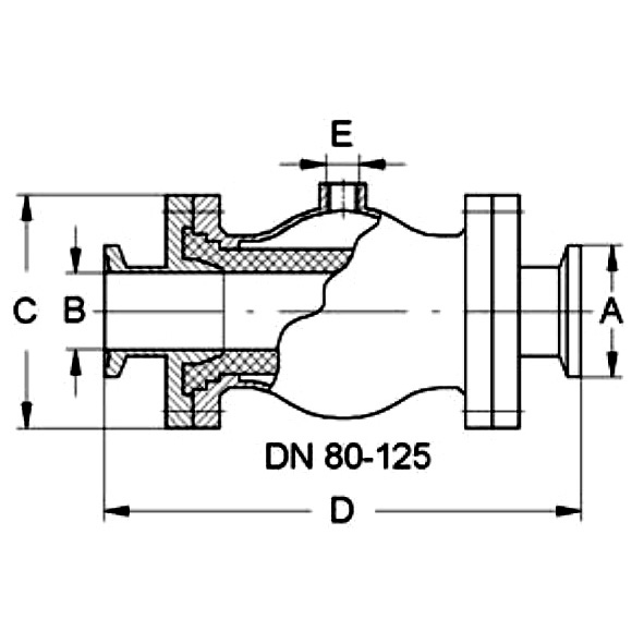
Quetschventile

Bitte wählen Sie im Folgenden Ihre gewünschte Produktvariante

D3)