Shop

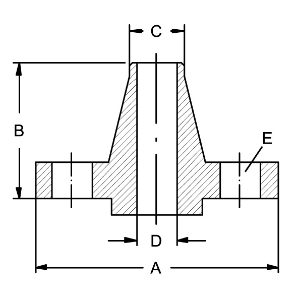
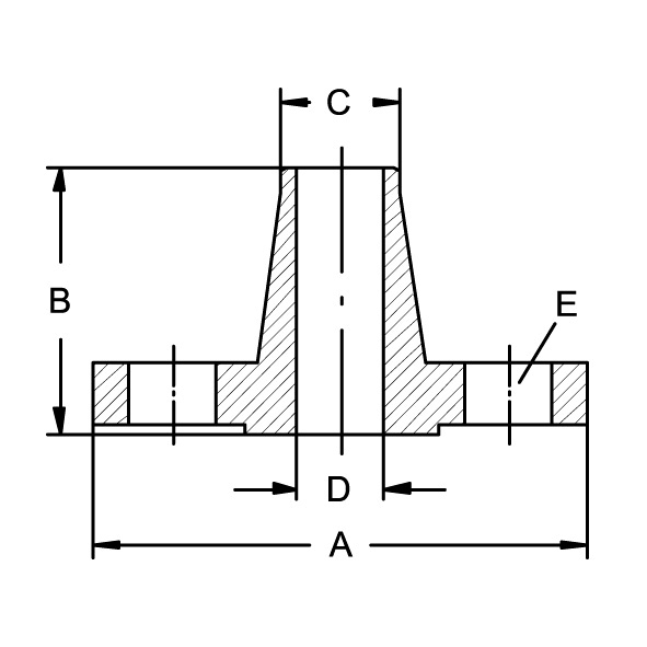
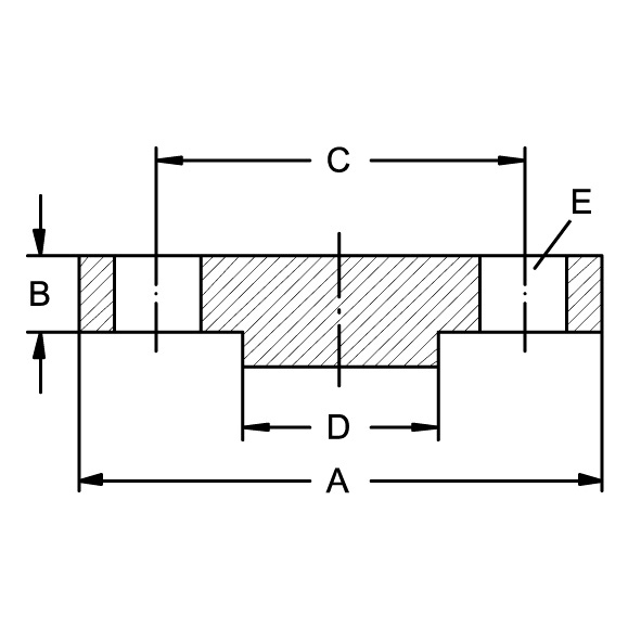
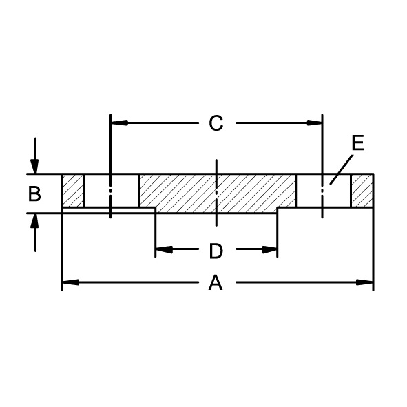
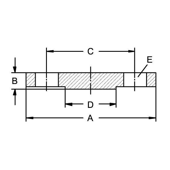
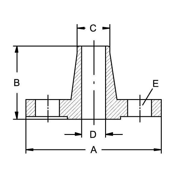
Vorschweißflansche EN 1092-1

Vorschweißflansche

Bitte wählen Sie im Folgenden Ihre gewünschte Produktvariante

B13)