Shop

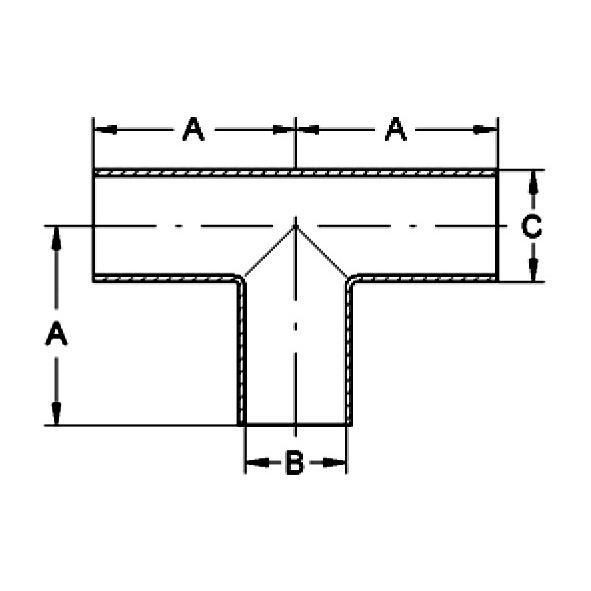
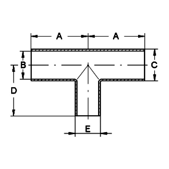
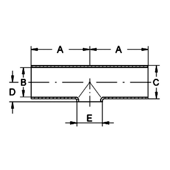
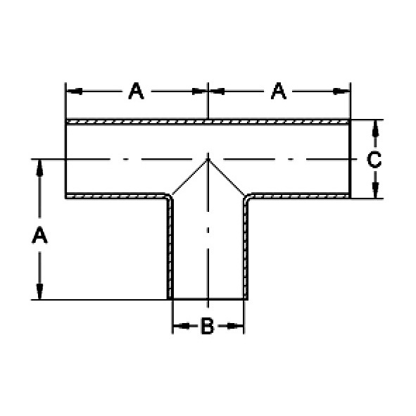
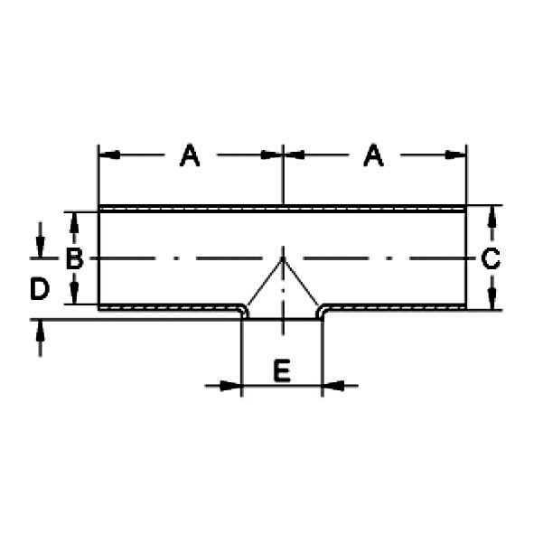
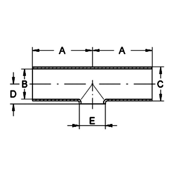
Aseptic fittings for orbital welding DIN 11865

Fittings for orbital welding, DIN 11865

Please select the desired product variant in the following

C6)