Shop

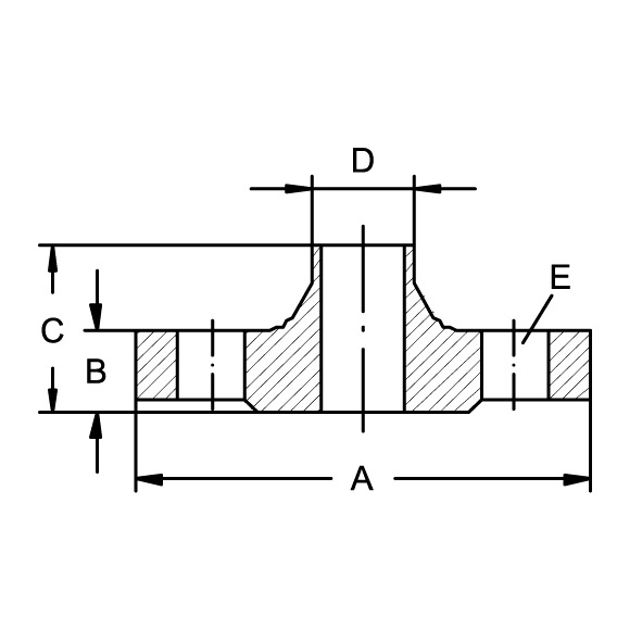
Welding neck flanges EN 1092-1

Welding neck flanges EN 1092-1

Please select the desired product variant in the following

B13)