Shop

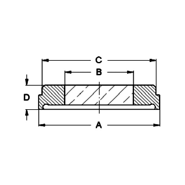
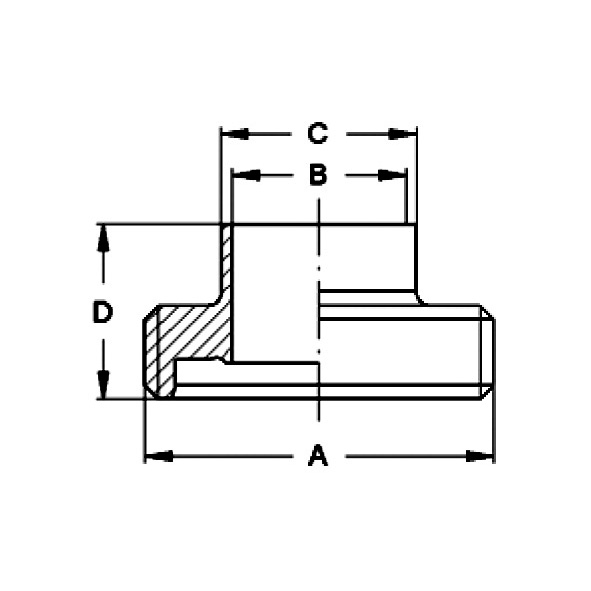
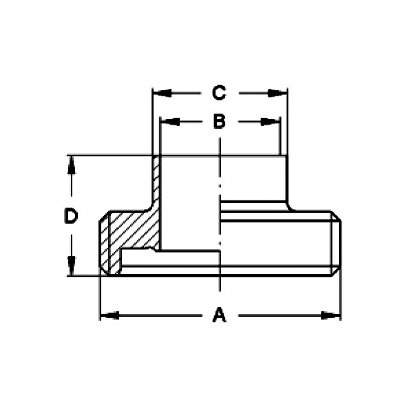
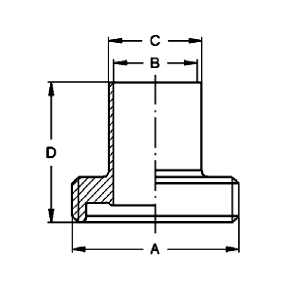
Aseptic- / Hygienic-Screwed pipe connection
DIN 11853-1 + DIN 11864-1

Screwed pipe connections, DIN 11853-1, DIN 11864-1

Please select the desired product variant in the following

B8)